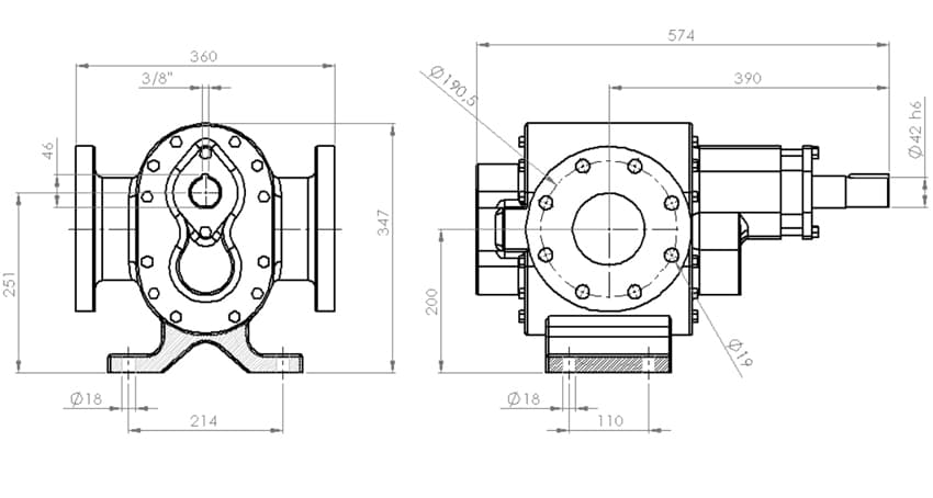
EDRAL ED4X180
a bomba de engrenagem ed4x180 da edral é indicada para aplicações industriais pesadas, oferecendo alta vazão e desempenho eficiente no bombeamento de líquidos viscosos.


a bomba de engrenagem ed4x180 da edral é indicada para aplicações industriais pesadas, oferecendo alta vazão e desempenho eficiente no bombeamento de líquidos viscosos.


