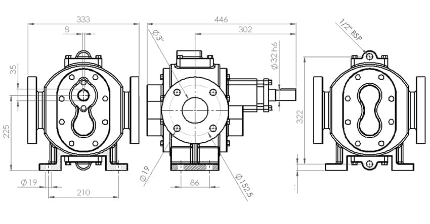
EDRAL ED3X130CA
a bomba de engrenagem ed3x130ca da edral é ideal para operações industriais intensas, proporcionando alta vazão, eficiência e precisão no bombeamento de líquidos viscosos.


a bomba de engrenagem ed3x130ca da edral é ideal para operações industriais intensas, proporcionando alta vazão, eficiência e precisão no bombeamento de líquidos viscosos.


