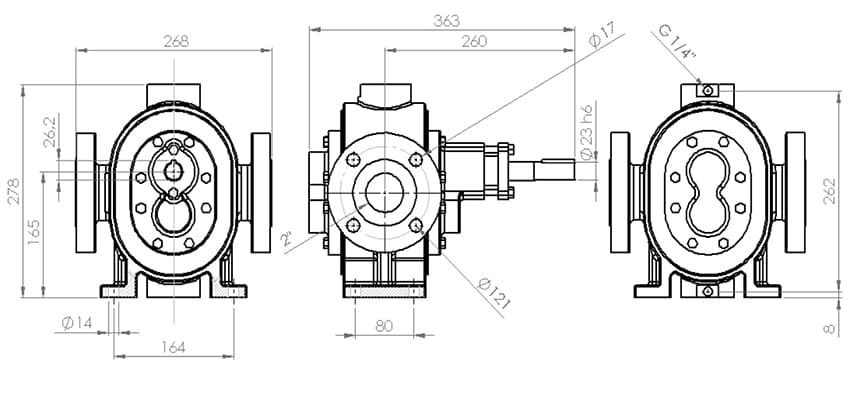
EDRAL ED2X120CA
a bomba de engrenagem ed2x120ca da edral é ideal para operações industriais pesadas, garantindo alta precisão e vazão contínua em líquidos viscosos.


a bomba de engrenagem ed2x120ca da edral é ideal para operações industriais pesadas, garantindo alta precisão e vazão contínua em líquidos viscosos.


