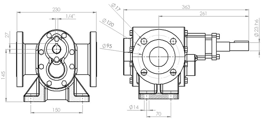
EDRAL ED2X120A
a bomba de engrenagem ed2x120a da edral é projetada para aplicações industriais de alta demanda, oferecendo grande vazão e eficiência no bombeamento de líquidos viscosos.


a bomba de engrenagem ed2x120a da edral é projetada para aplicações industriais de alta demanda, oferecendo grande vazão e eficiência no bombeamento de líquidos viscosos.


