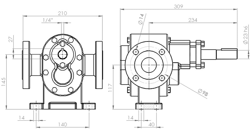
EDRAL ED112X60A
a bomba de engrenagem ed112x60a da edral é projetada para aplicações industriais, oferecendo precisão e eficiência no bombeamento de líquidos de alta viscosidade.


a bomba de engrenagem ed112x60a da edral é projetada para aplicações industriais, oferecendo precisão e eficiência no bombeamento de líquidos de alta viscosidade.


