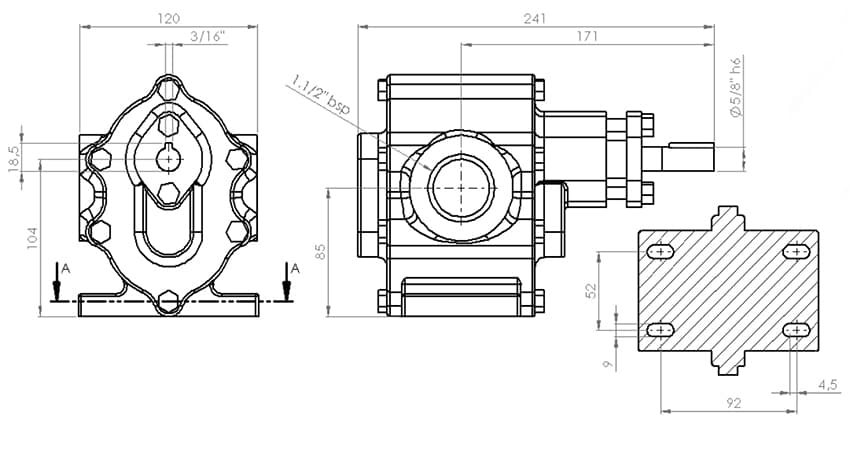
EDRAL ED112X100B
a bomba de engrenagem ed112x100b da edral é indicada para processos industriais, garantindo alta precisão e eficiência no bombeamento de líquidos viscosos.


a bomba de engrenagem ed112x100b da edral é indicada para processos industriais, garantindo alta precisão e eficiência no bombeamento de líquidos viscosos.


