EDRAL ED34X33
a bomba de engrenagem ed34x33 da edral oferece vazão precisa e contínua, sendo ideal para aplicações industriais que exigem alta eficiência e confiabilidade.


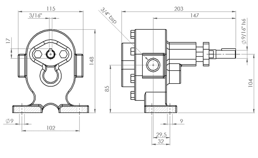
a bomba de engrenagem ed34x33 da edral oferece vazão precisa e contínua, sendo ideal para aplicações industriais que exigem alta eficiência e confiabilidade.


