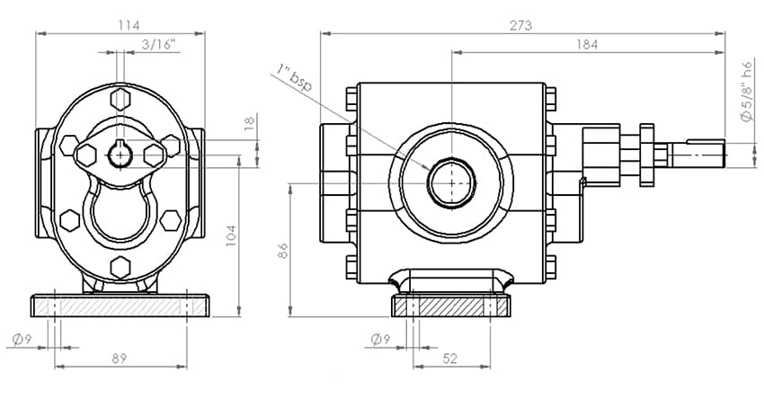
EDRAL ED1X100
a bomba de engrenagem ed1x100 da edral é ideal para aplicações que exigem alta vazão e precisão, utilizada principalmente em processos industriais robustos


a bomba de engrenagem ed1x100 da edral é ideal para aplicações que exigem alta vazão e precisão, utilizada principalmente em processos industriais robustos


